Service Details

Air Header Manifold


What is an Air Header Manifold?
An Air Header Manifold (also called Air Header or Air Distribution Manifold) is an essential component for distributing compressed air, instrument air, or steam from a single source to multiple pipelines. These manifolds are fitted with multiple outlets, each with isolation valves, ensuring safe and efficient supply of pressurized air across different instruments and systems.
By using Air Headers, industries can achieve cost-effective, leak-proof, and simplified air distribution, while also ensuring operator safety and minimal maintenance.


Why Multifit Pipes & Tubes LLP?
At Multifit Pipes & Tubes LLP, we are a trusted manufacturer and supplier of Air Headers and Air Header Manifolds in India and abroad. Our products are designed to meet the toughest industrial requirements, with a focus on safety, durability, and performance.

  • Leak-proof installation with long service life
  • Minimal maintenance & easy disassembly
  • Multiple valve outlets with flexible end connections
  • 100% hydrostatic and pneumatic testing before dispatch
  • Customization available in size, material, and pressure rating

Our Air Header Manifolds are widely used in oil & gas, refineries, petrochemicals, power plants, chemicals, pharmaceuticals, textiles, and steel industries.

Service Details


Category Details
Material of Construction Carbon Steel, Hot Dip Galvanized Carbon Steel, Stainless Steel 304 / 316, Alloy Steel, Duplex, Monel
Size Range - 1”, 1.5”, 2” (SCH 40 / SCH 80) - 4”, 6” (SCH 160) for high-pressure applications
Pressure Range - 150 PSI Pneumatic - 1000 PSI Hydraulic - Saudi & Export Pressure Class: 150#, 300#, 600#, 900#, 1500#, 2500# (up to 6000 PSI)
Temperature Rating - PTFE: 450°F [232°C] - Grafoil: 700°F [371°C]
Design Standards ASME B31.3, ASME B16.5, ASME B16.9, ASME B36.10, ASME B16.34, API 607, ASTM A312, ISO 9001, NACE MR-01-75
Certifications EN10204/3.1 / 3.2, MTC (Mill Test Certificates), IBR (if required)
Connections - Inlet: (DIN / ANSI) Flange or 3-piece union type - Outlet: 4, 6, 8, 10, 12, 16, 18 way (customizable) with Ball or Needle Valve (¼”, ⅜”, ½”) - Drain: ½” or 1” Ball / Needle / Gate / Globe Valve
Mounting Options Wall Mounting, Rack Mounting, or ‘U’ Clamps
Extra Service - Optional sour gas service valves (NACE MR-01-75 compliant) - Special coatings: Zinga, Hot-dip galvanizing, Epoxy, Silver, Electro-polish (for SS) - Laser-marked headers (wherever possible)

Applications of Air Header Manifold

  • Instrument air distribution in refineries and petrochemical plants
  • Pneumatic actuation systems in process industries
  • Centralized compressed air supply in power plants and steel plants
  • Automation lines in pharmaceuticals, chemicals, textiles, and food industries
  • Offshore and onshore oil & gas facilities

Customization Options
At Multifit Pipes & Tubes LLP, we understand that no two projects are the same. That’s why we offer:

  • ✅ Choice of materials (CS, SS304, SS316, Duplex, Alloy Steel, Monel)
  • ✅ Size range from 2-way to 24-way outlets
  • ✅ End connections: Flanged / Threaded / Socket Weld / Butt Weld
  • ✅ Mounting types: Skid / Rack / Wall / U-Clamp
  • ✅ Coatings: Epoxy, Hot-dip Galvanizing, Zinga, Silver Coating
  • ✅ Temperature & Pressure design as per project specification


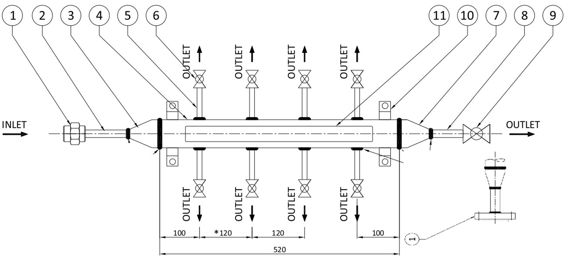
ILLUSTRATION


Service Details


BILL OF MATERIALS (BOM)-


SR. NO.

DESCRIPTION

   SIZE

   MOC

   QTY

1

Flange / Three Piece Union

   1"x150#, RF / 1" SCRD

   SS316

   1

2

Nipple

   1" NPTM x 2” Long

   SS316

   1

3

Concentric Reducer

   2" BW x 1" BW, SCH 80

   SS316

   1

4

Pipe (560mm Long)

   50NB x SCH 80, SMLS

   SS316

   1

5

Nipple

   1/4" NPTM x 2” Long

   SS316

   8

6

Ball Valve

   1/4" NPTF 3000#

   SS316

   8

7

Concentric Reducer

   2" BW x 1/2" BW, SCH 80

   SS316

   1

8

Nipple

   1/2" NPTM x 2” Long

   SS316

   1

9

Ball Valve

   1/2" NPTF 3000#

   SS316

   1

10

Bracket for Mounting

   ------------------------

   SS304

   2

11

Tag Plate

   ------------------------

   SS304

   1


Quality & Certifications
All Air Header Manifolds from Multifit Pipes & Tubes LLP are:

  • 100% Hydrostatic & Pneumatic Tested
  • ✅ Certified with EN10204/3.1 / 3.2, MTC, IBR (if required)
  • ✅ Manufactured as per ASME, ANSI, ASTM, API, NACE standards

Air Header Type

6-Ways Air Headers

8-Ways Air Headers

4-Ways Air Headers

10-Way Air Headers

12-Way Air Headers

14-Way Air Headers

16- Ways Air Heades

Bar Stock Air Headers